2021年12月31日,国家市场监督管理总局国家标准管理委员会发布了2021年第17号中国国家标准公告。本次公告中包含GB/T 17743-2021《电气照明和类似设备的无线电骚扰特性的限值和测量方法》推荐性国家标准,该标准将于2022年7月1日正式实施。
GB/T 17743-2021等同采用IEC国际标准CISPR 15:2018,是电气照明和类似设备在发射骚扰方面的重要检测依据。
适用范围
本标准适用于以下设备发射(辐射和传导)的射频骚扰
◆ 照明设备(3.3.16)
◆ 主要功能之一是照明的多功能设备中的照明部分
注1:实例有可见光通信、娱乐照明的照明设备
◆ 用于居住和非工业应用的紫外线和红外线辐射设备
◆ 公告标识
注2:实例有霓虹灯式的广告招牌
◆ 装饰照明
◆ 应急标志
主要技术变化
与旧版标准GB/T 17743-2017相比,除结构调整和编辑性改动外,主要技术变化如下:
1、范围一章删除了对器具使用电源和电池运行的限制条件(见第1章,2017年版的第1章);
2、在300 MHz至1 GHz频率范围内,引入辐射骚扰限值(见第4章,2017年版的4.4.2);
3、修改了负载端子限值与CDNE( 辐射发射的替代法)限值表述(见第4章,2017年版的4.3.2);
4、删除插入损耗要求及其在附录A中的相关内容(见2017版的4.2,第5章,第7章,附录A)
5、引入三个基本端口:外壳端口、本地有线端口与有线网络端口(见3.4.6、3.4.10,3.4.14,第4章,第5章,附录D)
6、通过适当参考CISPR 16系列标准,以CISPR 16系列标准的相关测试方法替换了附录B(CDNE)的测试方法(见9.3.4.4,见2017年版的附录B);
7、修改了锥形外壳金属孔的要求(见图A.2,2017年版的图7);
8、新增了GU10自镇流灯传导骚扰测量的新方法(见附录A.1);
9、增加电流探头测量方法和各种端口的限值(除电压限值和测量方法外)(见第4章);
10、引入术语“模块”(替代独立附件)和使用主机(参考)系统模块的测量要求(见6.4);
11、修改了EUT稳定时间的规范(见7.8,2017版的6.5.3);
对于大型EUT(>1.6 m),增加使用距离为3 m的60 cm环形天线磁场测量方法(CISPR 14-1的方法),作为3 m和4 m环形天线系统(LLAS)的替代方案(见4.5.2)。
部分重点修订内容列举
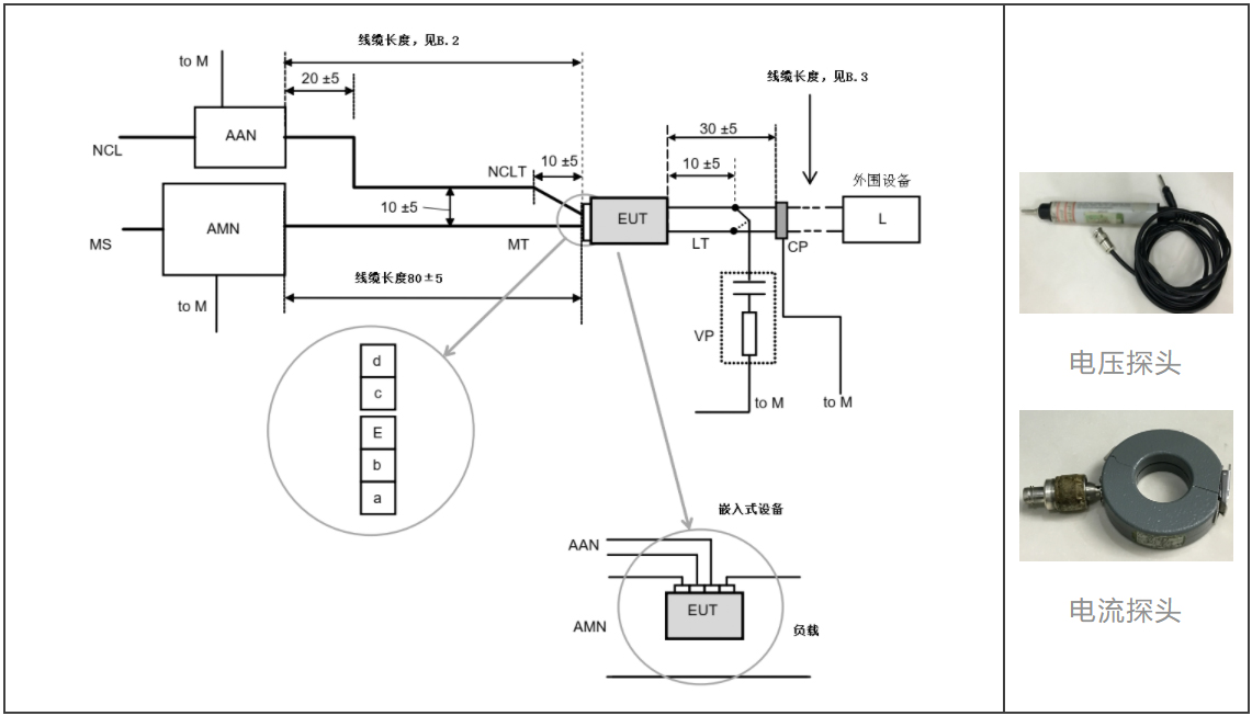
1、独立的调光装置、变压器或转换器的测量电路布置图(增加电流探头法);

2、辐射骚扰测量(OATS,SAC或FAR)时,灯具布置举例;

3、新增:测试频率范围扩展至1GHz,辐射骚扰测量的独立方法(30MHz~300MHz)使用的设备由CDN改为CDNE(设备更新);
4、新增:60 cm环形天线磁场测量方法;
5、增加EUT的物理接口流程判定;
6、增加对EUT应用限值的确定流程。
中认联科18年专注消费类电子电器产品检测认证,时刻关注各国法规变化,用心为客户提供一站式检测认证服务,确保您的产品快速地进入目标市场。如果您有电子电器产品及电池或含电池的消费类智能产品需要办理检测认证,请随时与我们联系,我们的工程师将在第一时间为您服务!